Welcome to the new ARM website! Over the next week, we’ll be making updates, filling in missing items, and continuing to improve your experience.
We’re confident this new site will be a major upgrade: easier to use, more intuitive, and designed to provide greater value for our member companies and their employees.
Please note: the ARM Training Academy (our online certificate program) will be paused for approximately three weeks while we transfer your data and sign-on credentials.
Part Two: Designing Products for Rotational Molding
Holes
Holes
Rotational molding is an ideal process for producing hollow, seamless plastic parts. However, in most parts there will be at least one opening through a side wall, in order to accommodate a vent pipe into the mold. The vent is required to ensure that the mold does not become pressurized during the process. Although spherical parts (such as balls) can be produced without a vent, an unvented mold and part is unusual. Parts with large, flat, unsupported surfaces must be vented to minimize part warpage and damage to the mold.
In some cases, vent holes can be utilized in the part design or vents can be located in areas of the part that will be subsequently cut out. If the hole is not required in the final part, it can be plugged by various methods during secondary operations. The necessity for vents, plus their required size and location, should be discussed and clarified during detailed part design.
In some other cases, holes may be required in the part as a feature or functional item. The best way of providing such holes should be planned within the design. There are a number of options:
Holes can be cut into the part by hand, or by machine, during secondary operations.
Accurate placement of holes, drilled post-molding, can be aided by incorporating a small dimple on the surface of the mold. This mark will transfer to the molded part as a locating position.
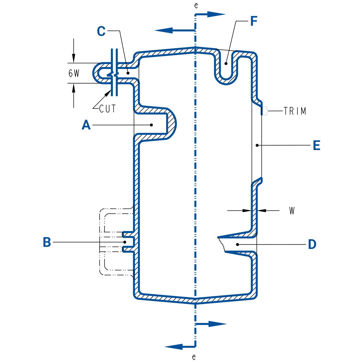
Figure 30: Holes in parts
Blind holes can be provided on rotationally molded parts where the hole projects into the part, as shown in Fig 30 (A). Blind holes offer fixed locations for installing post-applied inserts or components. A fixed or retractable core pin will produce a consistent-sized blind hole depth and width. Considerations should be given to the depth and shape of the core pin such that it passes through the puddle of powdered plastic and allows plastic to build-up on it.
Outwardly-facing projections such as the type shown in Fig 30 (B) should have adequate size to allow plastic to flow down into the cavity. Drilling out the protrusion after molding can provide sufficient size to allow fluid or fittings to pass through.
Outwardly-projecting through holes or bosses of the type shown in Fig 30 (C) can be produced by over-designing the projection and cutting off the tip after molding. The inside diameters of these holes cannot be controlled as well as those shown in Fig 28 (A), since they are free-formed rather than molded over a core pin. Therefore drilling out the core may be necessary. It is recommended that the outside diameter of this type hole should be a minimum of six times the nominal wall thickness. However, small bosses can be molded, provided the boss diameter is greater than the boss length.
Through-holes of the type shown in Fig 30 (D) can be produced by the use of a vent tube or by mounting a long core pin in the mold. These pins are normally fabricated from a material with low thermal conductivity, such as some metals, PTFE (“Teflon”) or high temperature silicone. Any core pin is likely to become partially covered with plastic during molding and the plastic will tend to adhere to it. In these cases, there will be some inward extension of the hole beyond the nominal wall of the part. Due consideration should be given to coating metal core pins with a suitable release coating; this could be permanent or semi-permanent.
Figure 31: Large openings in parts
Large holes through the wall, as shown in Fig 31, can be produced by a similar technique. In these cases, a section of the cavity, which is the same shape as the desired hole, is designed so that there is insufficient heat on the inside cavity wall for the plastic to adhere to it. A small amount of plastic will usually creep a short distance into the hole and will need to be trimmed after molding. A hole of this type is also shown in Fig 30 (E).
Many of the holes discussed above are oriented perpendicular to the parting line of the mold. Similar techniques can be employed to provide holes which have an axis parallel to the parting line of the mold. However, holes in these locations represent undercuts, as can be seen in Fig 30 (F). Such undercut holes need the provision of side-acting mold sections, or removable inserts. Where possible, holes in these locations should be avoided, because they increase the cost of the mold as well as complicating de-molding operations.
Figure 32: Two-section rotomolded part
Another approach to producing large openings in rotationally molded parts is to mold two separate parts as one piece and then cut them apart after molding, to produce two separate items. Fig 32 shows an example of this: a refuse container body and cover have been molded as one piece and then separated by cutting. Instrument housings have been produced by cutting the part into two pieces to produce the top and bottom simultaneously.
If you are already a member, please set up and log in to your member account by clicking "Create an Account" below. This option is also for current individual members and staff of company members who need to login, but do not have a user account set up.
Train your team, reduce scrap, and connect with the rotomolding community.
ARM delivers training that works through the ARM Training Academy, including courses in Operator Training, Health & Safety, Wall Thickness Control, and more.
You’ll gain practical insight from peers and experts through webinars, troubleshooting calls, and classic videos focused on process improvement.